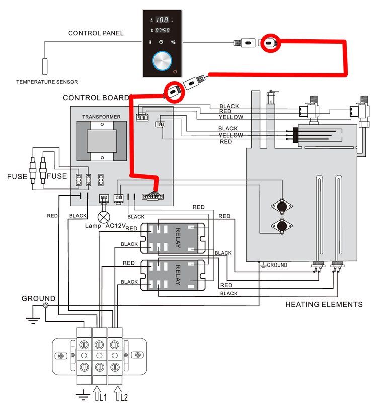
The E4 error indicates a connection issue between the controller and the generator. This setup includes two cables: a short cable that connects to the circuit board and comes out from the back of the steam generator, and an extension cable that links the short cable to the controller.
Problem: Communication issue between controller and steam generator.
Solution: Check the short cable that connects to the circuit board and comes out from the back of the steam generator, and the extension cable that links the short cable to the controller. Check the plugs carefully, making sure the pins inside are not bent or broken and that the arrows on the plugs are properly aligned. If you find any damaged pins, you can purchase replacement cables from us.
⚠️ Important: